Cho thuê Con Lăn Vận Chuyển 5 tấn
CON LĂN VẬN CHUYỂN (hay còn được gọi là RÙA VẬN CHUYỂN) khiến việc di chuyển các thiết bị, máy móc nặng trở nên dễ dàng hơn bao giờ hết. Chúng thích hợp cho việc di chuyển các vật nặng chẳng hạn như thay đổi cấu trúc nhà xưởng hay bảo trì máy móc.

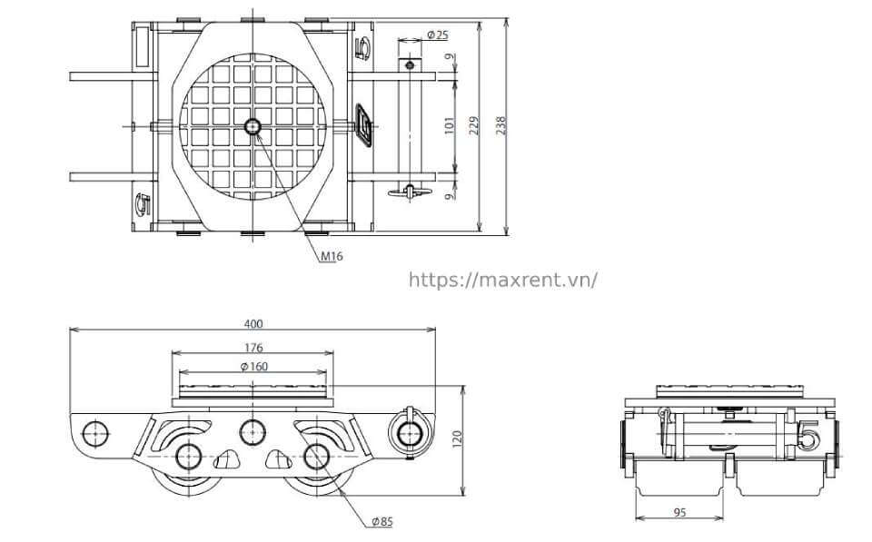
Đặc trưng
- Được trang bị bánh lăn uretan chất lượng cao nhằm nâng cao độ bền và ngăn chặn việc gây hại cho mặt nền
- Ở giữa bệ đỡ của con lăn có một lỗ xuyên tâm, nhằm thuận lợi cho việc cố định cho vật nặng và con lăn khi di chuyển
- Trọng lượng nhẹ (chỉ từ 5kg) nên có thể mang đi một cách dễ dàng
- Khi thay đổi hướng khi di chuyển, EAGLE gợi ý sử dụng xi lanh thủy lực lùn hoặc kích chân thuỷ lực để có thể kết hợp đơn giản với chiều cao của con lăn
- Với con lăn loại tiêu chuẩn, bệ đỡ cao su của con lăn có thể nghiêng 4 độ vì vậy việc di chuyển thiết bị vật nặng sẽ trở nên ổn định hơn.
- Bánh lăn cần được thay đổi định kỳ, vá chúng hoàn toàn có thể thay đổi một cách dễ dàng
- EAGLE sử dụng chung một loại bánh lăn cho con lăn loại thấp và loại tiêu chuẩn vì thế chi phí thay bánh lăn sẽ được giảm một cách đáng kế
Lưu ý


CÔNG TY TNHH MAXRENT VIỆT NAM chuyên cung cấp cho thuê các loại thiết bị như: xe nâng người cắt kéo scissor lift, xe nâng người boom lift, xe cẩu chân nhện, xe nâng hàng, máy phát điện; và các loại máy móc xây dựng như: máy khoan đục, máy hút bụi, máy bơm,…










English
日本語